形式
AM22PL-010E3A-Q
AM/DM22シリーズ
| 希望小売価格 | お問い合わせください | 
|---|
非在庫品
              
              
              
              
                現行品
              
              
            製品説明
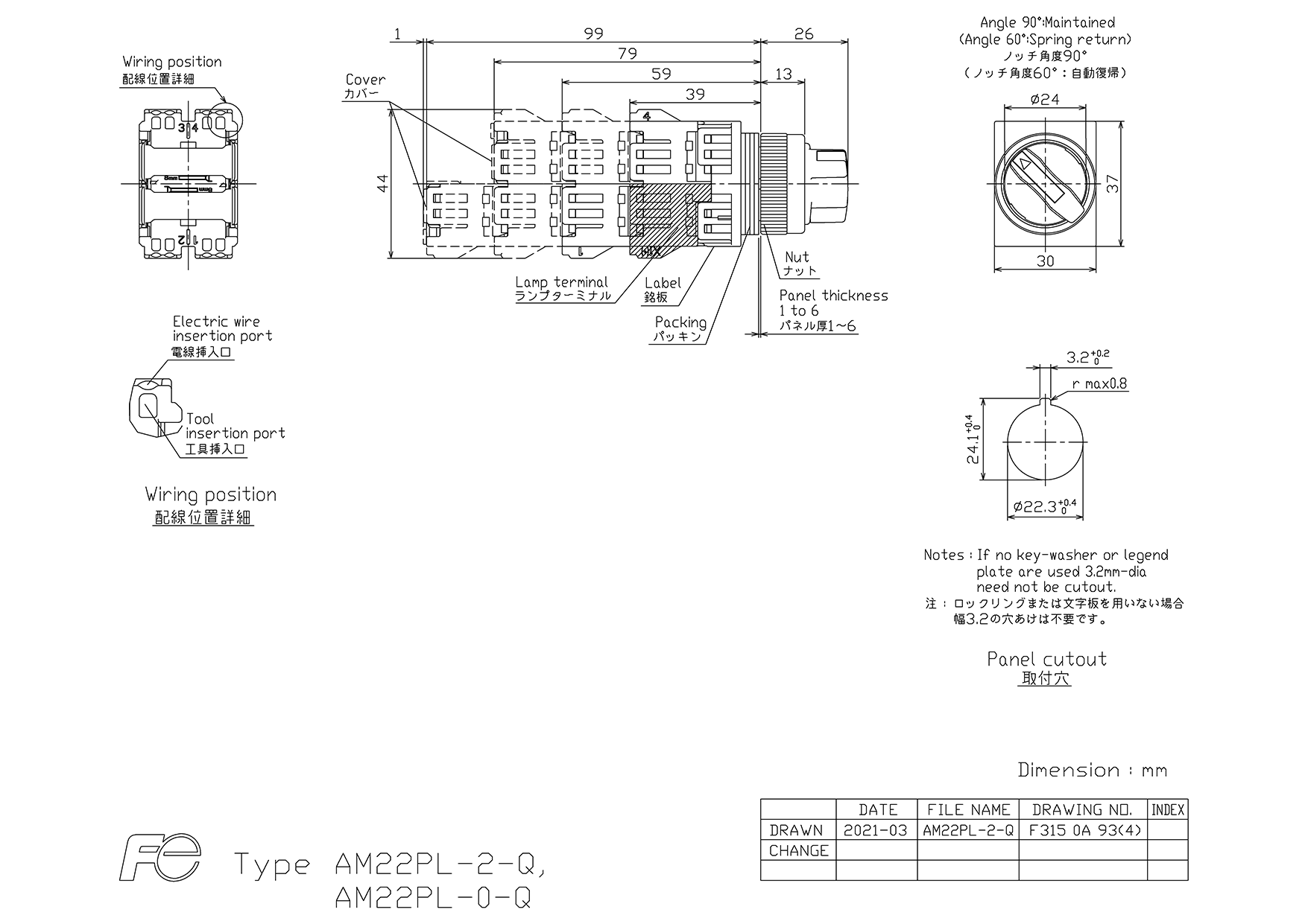
φ22 丸コマンドスイッチ<AM22>シリーズ 照光セレクタスイッチ ■特長 ・高輝度LED照光品「ぴかりくん」を標準化 ・締付ナット前面取付方式により文字銘板などの追加・交換作業が容易 ・短胴の奥行寸法を実現 ・充電部保護カバーを標準付属 ・標準品でUL/CSA規格およびTUV(EN規格)中国CCC規格を認証取得 ・CEマーク表示
あなたが検索した項目
仕様
製品区分:製品本体 / 用途:照光セレクタスイッチ / 取り付け穴サイズ:φ22 / フレーム形状:丸 / 操作部・表示部形状:ツマミ / 復帰方式:自動 / 接点タイプ:標準形 / ノッチ数:2 / 接点構成:1a / ランプの電圧:AC/DC24V / ランプの光源:LED / ツマミ、レバーの色:橙 / 端子形状:ねじ端子 / 特殊対応:スプリング端子形(Q) / 特長(シリーズ):前面取り付け/AM22・AR30シリーズ

 
              