製品写真と形式は異なる場合がありますので、ご了承ください。

形式

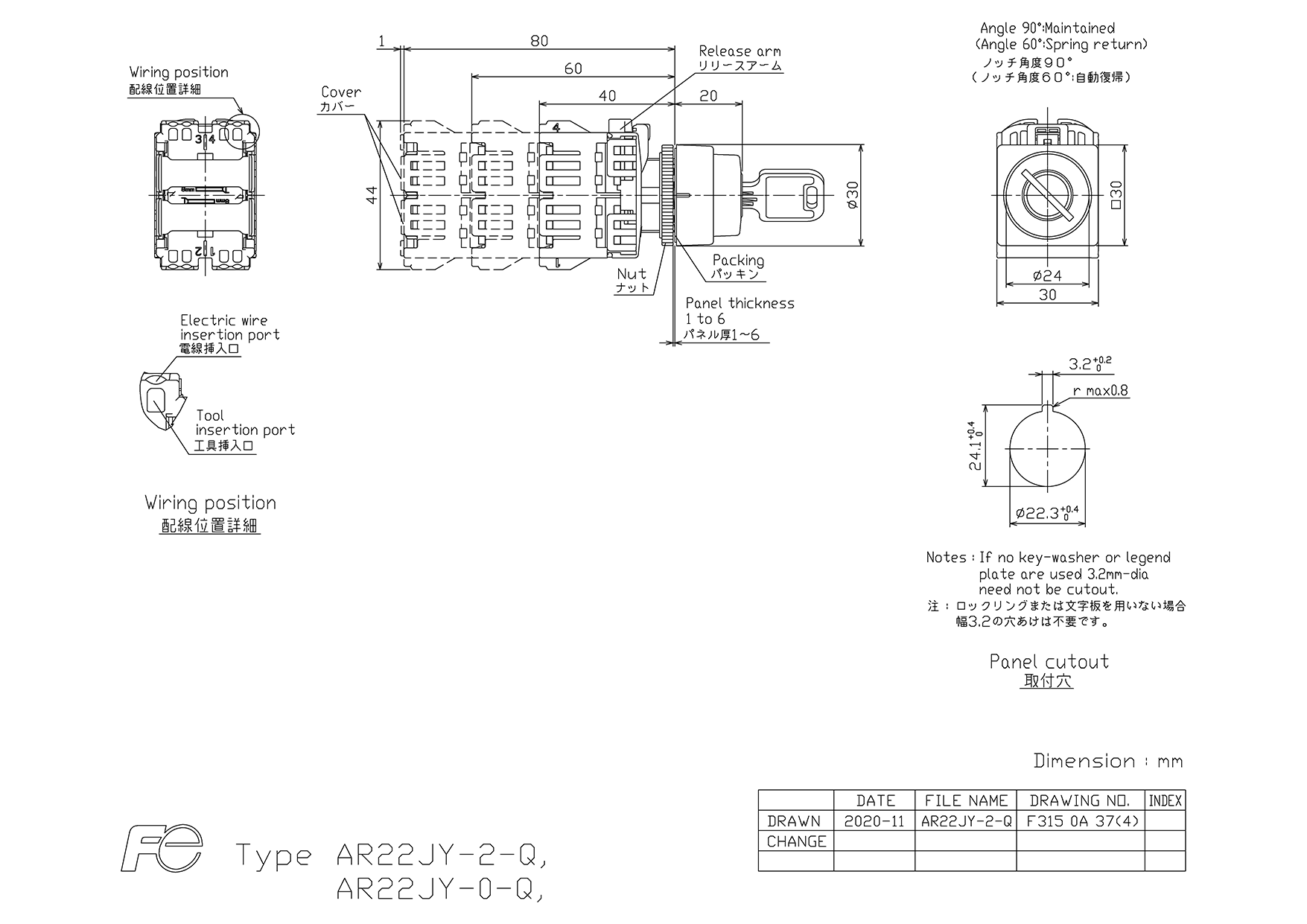
AR22JY-0A11A-Q

AR/DR22シリーズ

希望小売価格 お問い合わせください
非在庫品
現行品

製品説明

φ22 丸コマンドスイッチ<AR22>シリーズ
セレクタスイッチ

■特長
・操作部の裏面取付方式により、パネル厚による調整が不要
・接点ユニット・トランスユニットの追加・交換が容易
・短胴の奥行寸法を実現
・充電部保護カバーを標準付属
・標準品でUL/CSA規格およびTUV(EN規格)中国CCC規格を認証取得
・CEマーク表示

あなたが検索した項目

仕様

製品区分:製品本体 / 用途:セレクタスイッチ / 取り付け穴サイズ:φ22 / フレーム形状:角丸 / 操作部・表示部形状:キー形 / 復帰方式:自動 / 接点タイプ:標準形 / ノッチ数:2 / 接点構成:1a1b / キーの抜け位置:左 / キーの種類:A(標準) / 端子形状:ねじ端子 / 特殊対応:スプリング端子形(Q) / 特長(シリーズ):裏面取り付け/AR22シリーズ