製品写真と形式は異なる場合がありますので、ご了承ください。

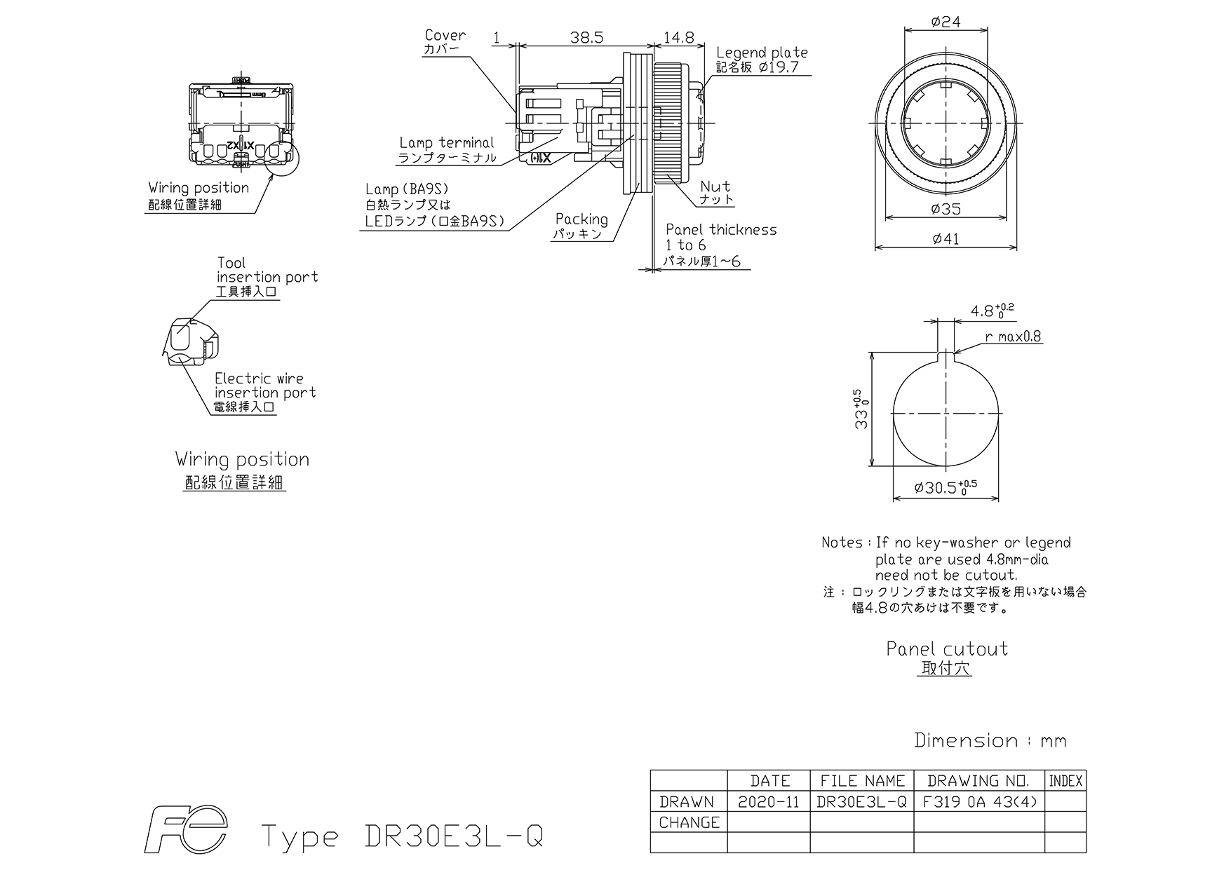
形式

DR30E3L-B3A-Q

AR/DR30シリーズ

希望小売価格 お問い合わせください
非在庫品
現行品

製品説明

φ30 丸コマンドスイッチ<DR30>シリーズ
表示灯

■特長
・締付リング(ナット)前面取付方式により文字銘板などの追加・交換作業が容易
・高輝度LED照光品「ぴかりくん」を標準化
・接点・トランスユニットの追加・交換が容易
・短胴の奥行寸法を実現
・充電部保護カバーを標準付属
・標準品でUL/CSA規格およびTUV(EN規格)中国CCC規格を認証取得
・CEマーク表示

あなたが検索した項目

仕様

製品区分:製品本体 / 用途:表示灯 / 取り付け穴サイズ:φ30 / フレーム形状:丸 / 操作部・表示部形状:突形 / ランプの電圧:AC/DC12V / ランプの光源:LED / ボタンの色:橙 / 端子形状:ねじ端子 / トランスの形状:標準 / 特殊対応:スプリング端子形(Q) / 特長(シリーズ):前面取り付け/AM22・AR30シリーズ