製品写真と形式は異なる場合がありますので、ご了承ください。

形式

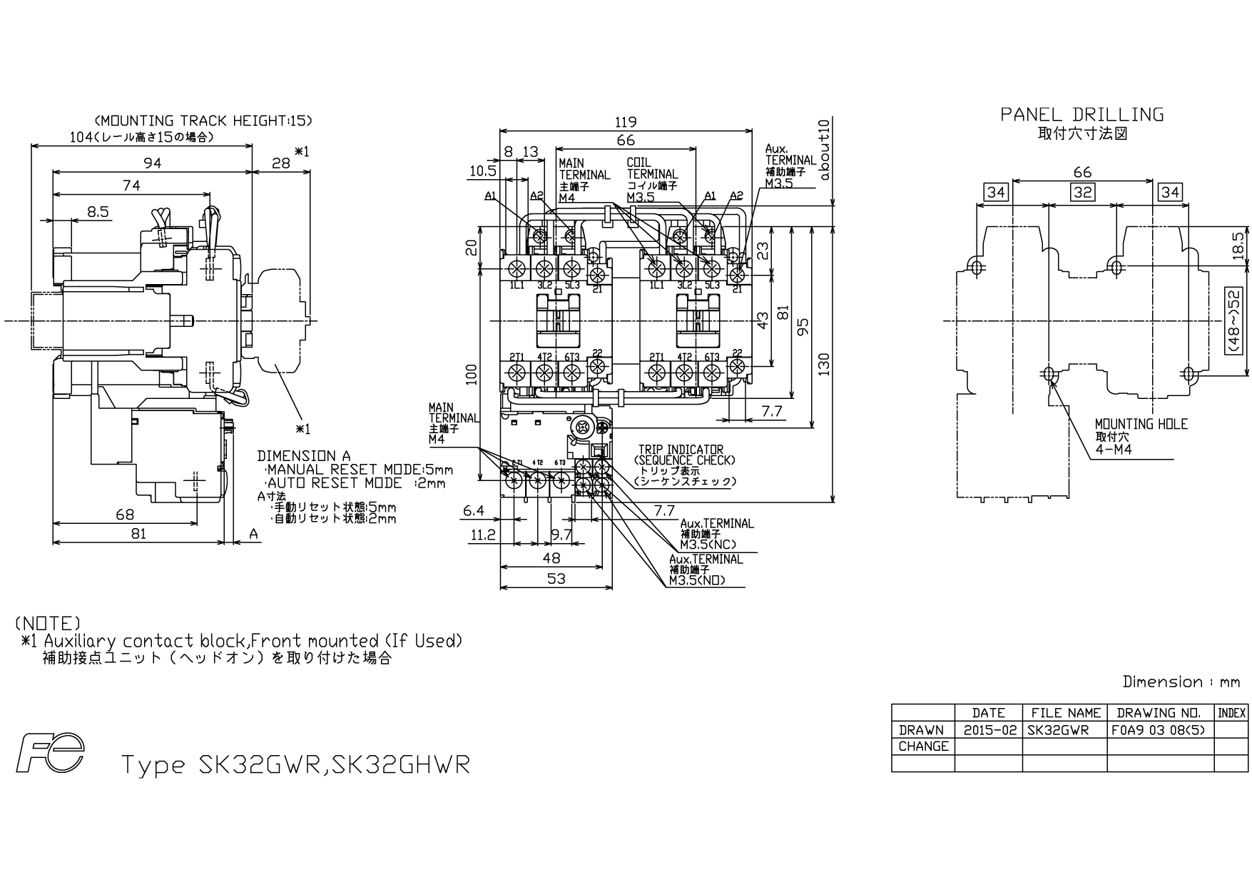
SK32GWR-101WK005

SKシリーズ

希望小売価格 お問い合わせください
非在庫品
現行品

製品説明

電磁開閉器 SKシリーズ

■特長
・世界最小クラスの電磁接触器・サーマルリレーです。
・世界の規格に標準品で適合(UL,CSA,CCC etc.)
・マニュアルモータスタータBM3シリーズとコンビネーション使用が可能です。
・電気的耐久性 100万回の長寿命です。
・直流操作品は、消費電力の異なる2種類のタイプを用意してあります。

あなたが検索した項目

仕様

製品区分:製品本体 / サーマルリレー有無:サーマルリレー有 / 操作コイル仕様:DC操作(又はAC/DC共用) / 操作コイル周波数:50/60Hz / コイル電圧:100V / サーマルリレー定格:5-7.5A / 補助接点構成:1b / ケースカバー有無:ケースカバー無可逆形 / 端子カバー有無:端子カバー付 / 電磁接触器定格電流値:32A / 電磁接触器仕様:標準形 / サーマルリレー部仕様:3素子欠相付(2E) / 製品特長:幅狭形(SK) / 外形寸法(mm):53×130×94