製品写真と形式は異なる場合がありますので、ご了承ください。

形式

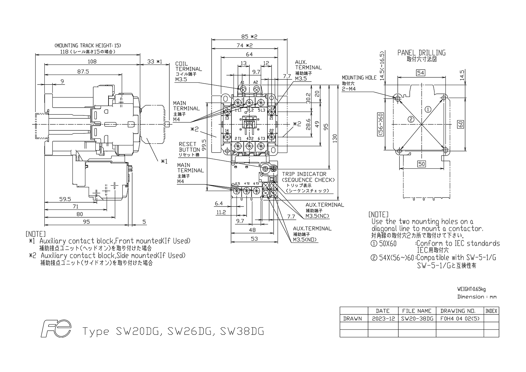
SW38DG2-111T009

SC-NEXTシリーズ

希望小売価格 お問い合わせください
非在庫品
現行品

製品説明

電磁開閉器 SC-NEXTシリーズ

■特長
・電気的開閉耐久性(寿命)200万回の長寿命
・補助接点は、高接触信頼性の双接点を標準装備
・最新IEC・JISを含む国際規格に対応したグローバルスタンダード製品
・環境負荷低減の製品仕様(省電力化、再利用可能材の積極利用、消耗部品の交換)
・ミラーコンタクトを標準装備
・豊富なオプションの取りそろえ

あなたが検索した項目

仕様

製品区分:製品本体 / サーマルリレー有無:サーマルリレー有 / 操作コイル仕様:DC操作(又はAC/DC共用) / コイル電圧:100V / モータ容量 主回路AC200V~AC220V:7.5kW / モータ容量 主回路AC400V~AC440V:18.5kW / サーマルリレー定格:9-13A / 補助接点構成:1a1b / ケースカバー有無:ケースカバー無標準形 / 端子カバー有無:端子カバー付 / 電磁接触器定格電流値:35A / 電磁接触器仕様:標準形 / サーマルリレー部仕様:2素子 / 製品特長:高寿命タイプ(SC) / 外形寸法(mm):64×130×108